Od Thanksbuyer

1228-2901 (24V) (110A) Original DC Motor Controller Permanent Magnet Motor Controller for Curtis

Běžná cena $178.64
Běžná cena Výprodejová cena $178.64
Včetně daní. Poštovné se vypočítá na pokladně.
Běžná cena $178.64
Běžná cena Výprodejová cena $178.64

1228-2901 (24V) (110A) Original DC Motor Controller Permanent Magnet Motor Controller for Curtis

Description:

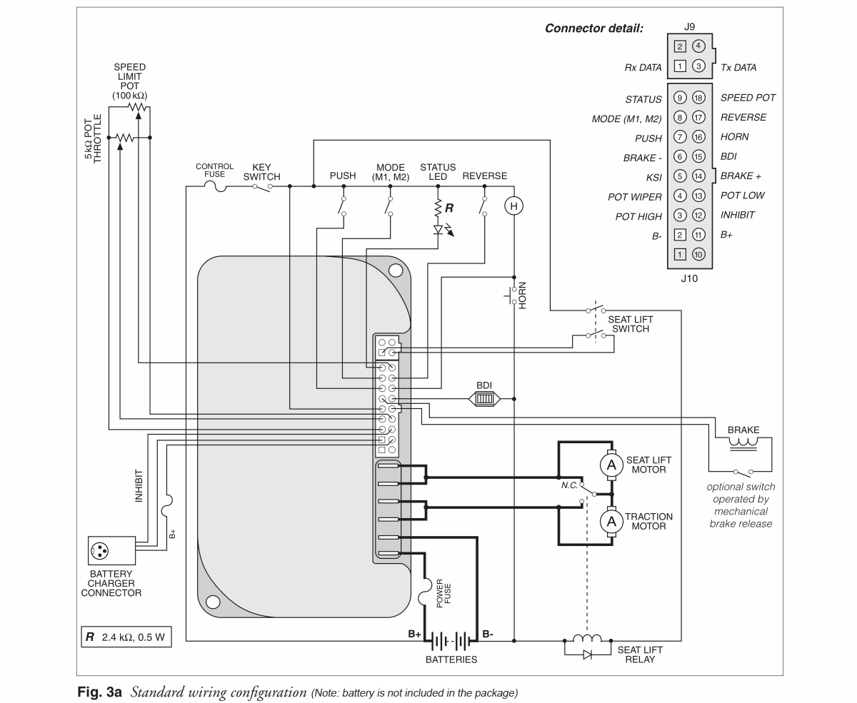
The original 1228 Multi-Mode controller is a permanent magnet motor speed controller designed for use in mobility aid scooters and other small electric vehicles, such as sweeper/scrubbers. It offers smooth, silent, cost effective control of motor speed and torque. A four quadrant, full bridge power output stage provides for solid state motor reversing and full braking power without additional relays or contactors.

The 1228 controller is fully programmable by means of an original programming device for Curtis. Use of the programmer offers diagnostic and test capability as well as configuration flexibility.

Like all original motor controllers for Curtis, the 1228 offers superior operator control of the vehicle's motor drive speed. In addition, the 1228 controls the seat lift motor if one is used.

Features:
- Full bridge power MOSFET design, providing
  • infinitely variable forward, reverse, drive, and brake control
  • silent high frequency operation
  • high efficiency
- Programmability through the original programming device for Curtis
- Complete diagnostics through the original programmer for Curtis and a status LED
- Full compliance with all applicable international standards
- Available for single-ended or wigwag 5kΩ potentiometer throttles and 5V throttles (both standard full stroke and restricted range)
- Multi-Mode input selects between two different operating modes, thus allowing optimization of vehicle characteristics for different driving conditions (for example, indoor/outdoor)
- Speed limit input provides linear variable speed limiting when an external speed limit pot is used
- Current limiting in both driving and regenerative braking modes
- Load compensation stabilizes speed on ramps and over obstacles
- Speed scaler eliminates variations in maximum speed that would otherwise result from variations in battery charge levels
- High pedal disable (HPD) function with lockout monitors status of the throttle during turn-on and prevents operation until the throttle has been returned to neutral
- Key-off deceleration function provides a controlled deceleration if the keyswitch is turned off while driving
- "E Stop" provides a faster deceleration for emergency stops
- Seat lift function simplifies the wiring required to implement seat lift in DME scooter applications
- Comprehensive fault detection monitors main contactor, output stage, throttle demand vs. output, etc., and disables the drive functions if any conditions are outside specified limits
- ISO 7176 compliant throttle fault detection circuitry inhibits driving if throttle pot signal goes out of range for any reason
- Missing/shorted brake detection forces neutral in the event of an open or shorted brake circuit
- Anti-rollback/anti-roll-forward function sets brake delay according to speed and direction for improved braking response and minimized roll-back on hills, etc.
- Reverse beeper option can be used to drive a low current dc horn when vehicle is in reverse
- "Push" input electrically releases brake for key-on pushing (requires that the vehicle be stopped first)
- "Push-Too-Fast" feature guards against unpowered vehicle runaway by powering up and regulating motor voltage to limit vehicle speed
- Inhibit input disables the controller and puts the vehicle in a safe state during charging, etc.
- Power saver deactivates the main relay after 25 seconds of non-operation and deactivates the entire controller after the programmed sleep delay has elapsed
- BDI output can be used to provide data to a voltmeter; the BDI output can be "stuffed" (optional) in order to display the battery state of charge during battery charging even while the keyswitch is turned off
- Under-voltage cutback function protects against operation at low battery voltage
- Over-voltage protection shorts the motor and disables driving in the event of excessive battery voltage
- Thermally protected
- Reverse polarity protected (battery input)

Package Included:
- 1 x DC Motor Controller

Note:
- Battery is not included in the package.


Packaging Details:
- G.W.: 0.85kg