433MHz Wireless Remote Control Switch with Antenna Remote Control Transmitter Receiver Control Motor
Attention:
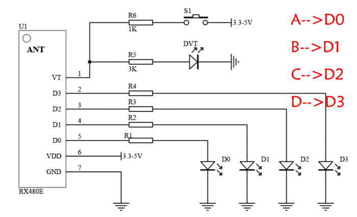
D0-D3 output ports are level signals. Its driving capacity is less than 10mA, and it cannot directly drive LED light strip or relays, small motors, etc. If you need to drive a load, be sure to connect a driver circuit that matches your device, otherwise the chip will be burned out.
Features:
- Remote control adopts learning EV1527 coding method. Each remote control has an independent address code to prevent cross-coding and mutual interference.
- Receiving module has 3 functions: inching, self-locking and interlocking.
- The receiving module uses key selection mode. There is no need to manually select the mode by soldering, jumpers, etc., saving time and labor costs.
- The receiving module includes a decoding chip that can support EV1527, PT2262 and other encoding chips.
Specifications:
- Working voltage: DC2.5V-5V
- Working current: 3mA
- Sensitivity: -108DBM
- Rate: MAX 10 KB / S
- Working mode: inch, self-lock, interlock
- Module output: 4 CMOS level signals, which can correspond to 4 buttons ABCD of remote control
- Receiver module can store remote control: 20pcs
- Support encoding chip model: EV1527, PT2262, other customization
- Remote control distance: 50 meters (When used for remote control motors, the distance may be halved due to motor interference)
- Weight: 26g
Wiring Instruction:

The default mode of remote control is inching mode.
If you need to change the mode or multiple remote controllers to control one receiver at the same time or one remote controller to control multiple receivers, please do as follows:
Clear Fault Code:
Press the learning code button on the receiver 8 times, LED is off. LED flashes 8 times and it is cleared. (If you need to change the working mode of the same remote control, please clear the code first and then learn)
Learn Code:
Step 1:
Press the learning button of the receiving board according to the required number of times to select working mode, and then the LED of the receiving board is always on.
Inching mode: Press the learning button once on the decoding module.
Self-locking mode: Press the learning button twice on the decoding module.
Interlocking mode: Press the learning button three times on the decoding module.
Step 2: Press any button on the remote control. After receiving signal, the LED on the receiving board flashes three times and then turns off. The code matching is successful. (If there is no remote control signal after entering learning code matching mode, it will automatically exit the learning code matching mode after 10 seconds.)
Attention: If one mode has been selected after code is cleared, it is invalid to choose another mode after the first step. You must clear the code and learn again.
Working Modes:
1.Inching: Press remote control, the corresponding channel of the decoding module will output a high-level signal momentarily. If you keep pressing the button, there will always be a high-level output.
2.Self-locking: Press remote control once, the corresponding channel of the decoding module keeps output level signal. Press the remote control again, the decoding module stops outputting high-level signals. State changes once by pressing the button once.
3.Interlocking: Press remote control, the corresponding channel of the decoding module continuously outputs a high level signal, and forces other channels to output a low level. (For example: Press A key on the remote control, D0 pin of the decoding module outputs a high-level signal, and the other three channels output a low level. Press B button, D1 pin of the decoding module outputs a high-level signal, and the remaining three channels output low level signal.)
Press learning button 8 times to clear code
After 6 seconds, it will automatically exit learning code mode
Operating Mode Operation Instruction:
1. Press the learning button on the module once. After the remote controller learns, it is in inching mode;
2. Press the learning button on the module twice, and the remote controller will enter self-locking mode after learning;
3. Press the learning button on the module 3 times. After learning, the remote controller enters interlocking mode;
4. Press the learning button on the module 4 times. After the remote control learns, it will enter two-way self-locking + two-way inching mode;
5. Press the learning button on the module 5 times. After the remote controller learns, it enters two-way inching + two-way interlocking mode;
6. Press the learning button on the module 6 times. After the remote control learns, it enters two-way self-locking + two-way interlocking mode;
7. Press the learning button on the module 7 times. After the remote control learns, it enters two-way interlocking + two-way interlocking mode.
Explanation of the purpose of LED Output Signal:
When any button of the remote control is pressed, the receiving end decodes correctly, LED will output a high level signal 1. When the remote control button is released, LED output will become 0. That is, it will be output only when the reception is valid and decoded correctly.
Package Included:
- 1 x 433MHz Wireless Remote Control Switch with Antenna
- 1 x Receiver