New GPIB to USB Cable GPIB-USBCDC Compatible with IEEE-488 Instrument Control Interface for Prologix
Description:
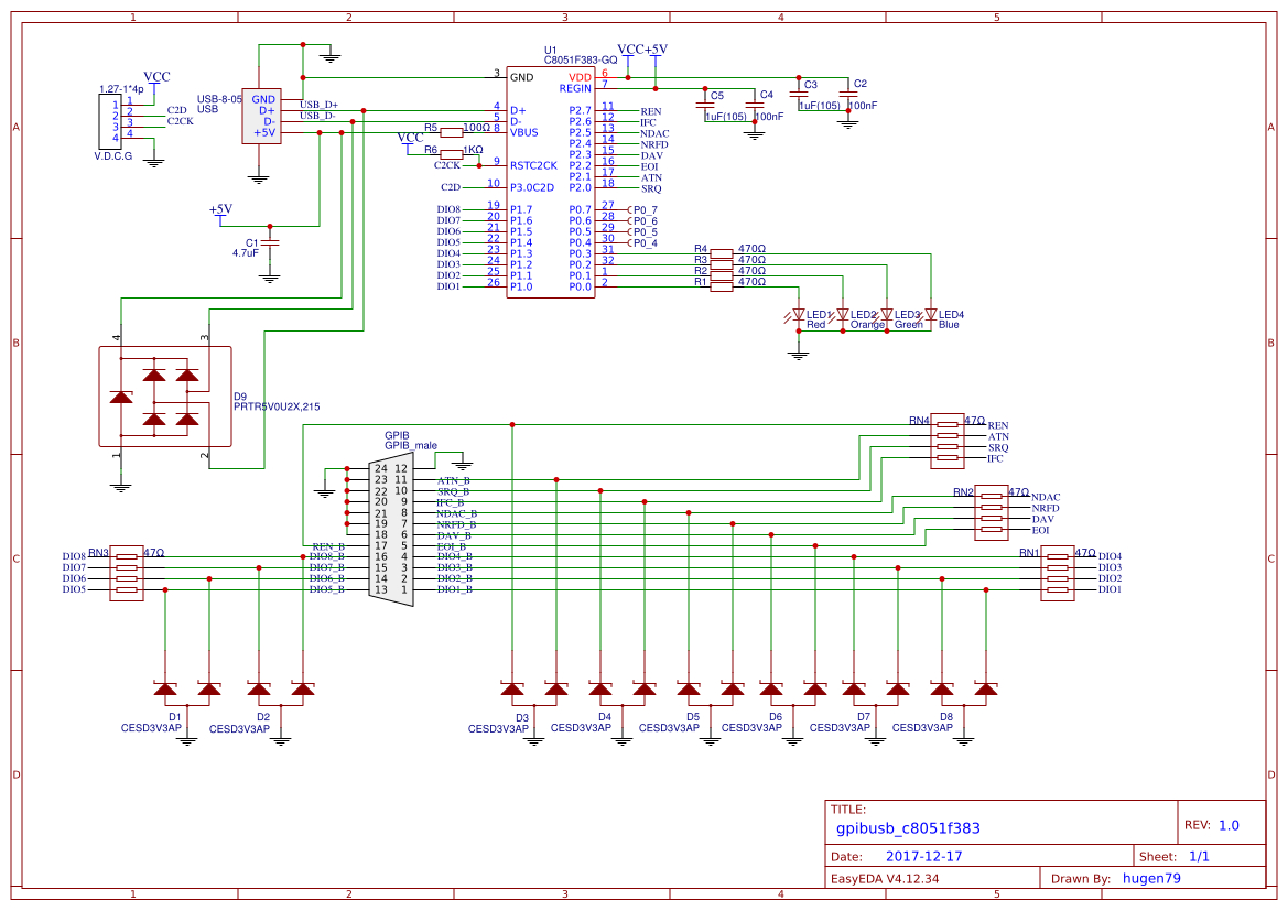
Modify the GPIB to USB device designed from Japan fenrir, the main control is changed to C8051f383-GQ in LQFP-32 package. According to the data manual of C8051f383, it can meet the capability of 10 or so instrument drivers, eliminating the need for additional driver chips and increasing The ESD protection of the interface ensures stable operation. A more compact PCB can be installed into the standard GPIB interface housing to ensure a reliable connection.
Provides direct wire bonding to the PCB housing style. The direct bonding wire retains two interface screws and is more securely connected to the instrument.
The original version of fenrir is available at https://fenrir.naruoka.org/archives/000944.html
Fenrir original Github https://github.com/fenrir-naru/gpib-usbcdc
Because it is suitable for Prologix, you can use a large number of compatible software for Prologix
Official website for Prologix http://prologix.biz/gpib-usb-controller.html
Use the command to refer to related information for Prologix http://prologix.biz/gpib-usb-6.0-faq.html
Driver and some available software: https://pan.baidu.com/s/1i1Is4Mn2fG7fngyJAKWWog Password: pxmp
Package Included:
- 1 x GPIB to USB Cable
Note:
1. This equipment is DIY equipment, hand soldered, tested and shipped.
2. C8051f383 has more VREF function than the C8051f387 used by the original fenrir. If you try to compile the firmware yourself, you need to disable the VREF pin first. When the IO port is initialized, modify REF0CN = 0x18.
Schematic:
Basic setup software can be provided to provide basic setup functions for Prologix. Support for importing instrument command sets, selection of commands from the drop-down menu, and prompts. Can be sent cyclically and can automatically save CSV files; it can generate fold lines in real time. Display, you can save the polyline data as a CSV file.
A large number of compatible software for Prologix can be used
You can use the screenshot for HP 7470A Emulator, Spectrum Surveillance to generate a spectrometer waterfall map, use SoftPlot to connect to an oscilloscope, a spectrum analyzer, a network analyzer, a radio tester, etc., and some other software for Prologix, such as some desktop multimeters and Power control software. Phase noise test software can be used. Protocol for Prologix is simple, as long as the serial program can be written, you can write the relevant PC software control instrument.






Customer Application Examples:

