Isolated Converter USB To RS485 RS422 HXUSB2RS4XXI (3M) FTDI 3Mbps Not For Tamagawa Encoder
Download Driver Manual and Serial Port Assistant:
http://pan.baidu.com/s/15Cde-923NU07c7zDa0wAmQ
Password: msad
Note:
The 3M version cannot be used for debugging Tamagawa encoders, and does not support 2.5M baud rate. Please refer to the information below for supported baud rate.
Main Features:
1. Use the latest USB conversion control chip for FTDI to directly virtualize the RS485/RS422 interface into a computer COMM port
2. The conversion module can be used as USB to RS485 or USB to RS422
3. The RS422/RS485 interface is completely isolated from the USB port. Photoelectric isolation (3M version) or magnetic isolation (12M version), isolation voltage: 1500V
4. Selected 600w high-speed TVS effectively protects the RS485/RS422 communication interface
5. RS422/RS485 baud rate is up to 3Mbps (high speed) or 12Mbps (super high speed)
6. Fully support for Win xp, Win7, Win8, Win10 and other systems
7. Please click the link for https://www.ftdichip.com/Drivers/VCP.htm to download the latest for FTDI chip driver (For Win8 and Win10 system, it can be used directly, no need to install the driver)
Attention:
When controlling the chip for FTDI, in order to obtain a faster receiving response speed, please set it as follows: Right-click My Computer -> Select Properties (R) -> Click Device Manager in the pop-up page -> Ports (COM and LPT) -> Right-click the corresponding serial port [for example, USB Serial Port (COM3)] -> Select Properties (R ) -> Select Port Settings page in the pop-up window -> Click Advanced (A)..., in the pop-up page set the Delay Timer (milliseconds) to 1 (default is 16), and then OK (You don't need to restart the computer).
Indicator Lights:
1. PW (Red): USB power supply indication
2. TX (Yellow): Transmitting data
3. RX (Green): Receiving data
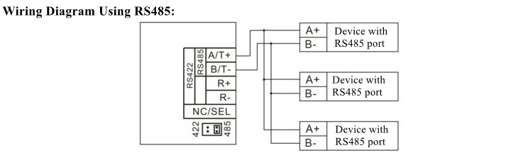
Port Signal Introduction:
1. A/T+: RS485 signal + or RS422 sending+
2. B/T-: RS485 signal - or RS422 sending-
3. R+: RS422 receiving +
4. R-: RS422 receiving -
5. NC/SEL: Not used
Since the enable signal is used for internal transmission, it can also be used for RS422 multi-unit network (either as a master or as a slave)
Provide serial debugging tool for SerialPro. It can be used for testing under the system for Win xp, Win7, Win8 and Win10. In addition to commonly used baud rate settings, you can also manually input any baud rate value. At the same time, to facilitate the use of some protocols, you can add and verify with one key or for modbus-rtu crc verification.
Package Included:
- 1 x Set of Isolated Converter