От Thanksbuyer

10M 0.1ppm OCXO Adjustable Frequency Standard 2.5K-200M Clock Source Module w/ SMA Female Connectors

Обычная цена $91.59
Обычная цена Цена со скидкой $91.59
Сумма налога включена. Стоимость доставки рассчитывается при оформлении заказа.
Availability: В наличии: 2000
SKU: 91613
Обычная цена $91.59
Обычная цена Цена со скидкой $91.59

10M 0.1ppm OCXO Adjustable Frequency Standard 2.5K-200M Clock Source Module w/ SMA Female Connectors

Clock Source Parameters:

1. Frequency range: 2500Hz-200MHz
2. Amplitude-peak-to-peak:
MODE0:
* F0: 3.21Vpp
* F1: 3.23Vpp
* F2: 3.21Vpp
MODE1:
* F0: 3.15Vpp
* F1: 3.12Vpp
* F2: 3.12Vpp
3. Power supply requirements: 5V 1A TYPE-C power supply. The power-up is at 800mA. The current will be 400mA after the internal OCXO is stabilized
4. Weight: 400g/0.9lb
5. Input and output interface: SMA female connectors
6. Size: 13cm x 9.6cm x 5cm/5.1" x 3.8" x 2" (LxWxH)

Package Included:
- 1 x Clock Source Module

Packaging Details:
- Weight: 0.65kg

Introduction of Buttons:
: Press and hold the button to switch modes; short press the button to increase the value;
: Press and hold the button to save the data; short press the button to reduce the value;
: Short press the button, and the indicator cursor will go to the left;
: Short press the button, and the indicator cursor will go to the right;
: Press and hold the button to power off; short press the button to power on.

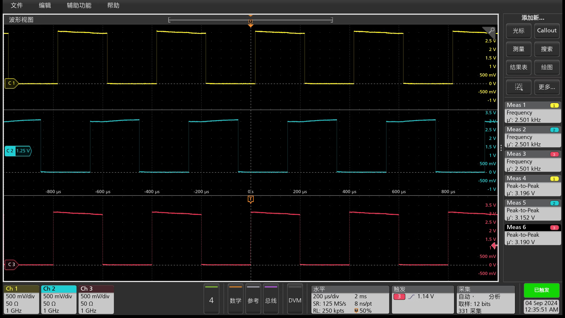
MODE0:

CLK stands for clock source frequency. F0 represents the signal frequency of channel 1. DIV1 and DIV2 are division factors. F1=F0/DIV1 and F2=F0/DIV2. P1 is the phase difference between F0 and F1, and P2 is the phase difference between F0 and F2.

As shown in the figure above, F0 = 50 MHz, division factor DIV1 = DIV2 = 10, F1 = F0/DIV1 = 5 MHz, and F2 = F0/DIV2 = 5 MHz.

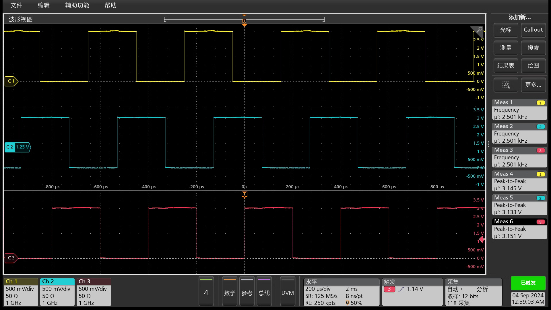
MODE1:

CLK stands for clock source frequency. F0 represents the signal frequency of channel 1. DIV1 is the division factor. F2=F1/DIV1. P1 is the phase difference between F1 and F2.

As shown in the figure above, F0 = 120 MHz and the division factor DIV1 = 10. F0 is an independent frequency. F2=F1/DIV1=1.01MHz.

PC CLK Source Controller:


Waveform Data Graph:
MODE0 Oscillogram at 2500Hz and 50M:



MODE1 Oscillogram at 2500Hz and 50M:



Clock Frequency Meter to Measure Its Accuracy: