Обычная цена
$354.77
Обычная цена
Цена со скидкой
$354.77
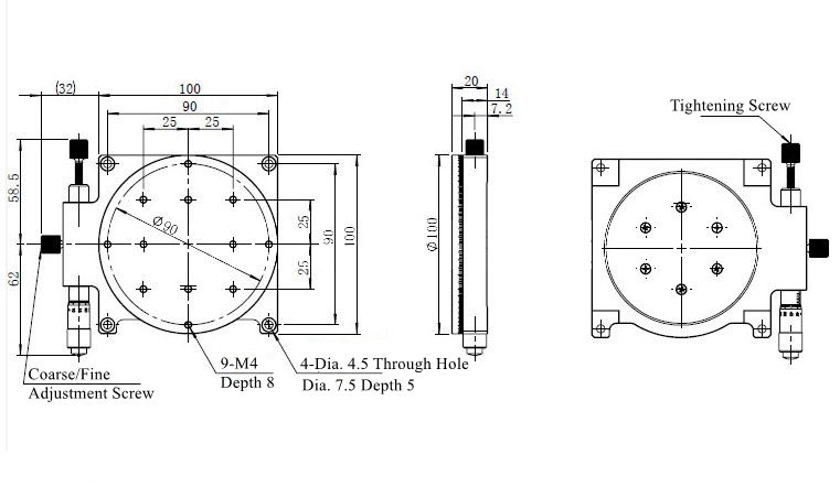
LT100-L-2 XYZR Axis Manual Linear Stage Manual Sliding Table Translation Stage Platform 100MM*100MM
Features:
- 100mm*100mm
- XYZR linear sliding table
- Perfect for industrial automation and control
Package Included:
- 1 x Manual Linear Stage
Bottom Layer XY Axis:
Middle Layer:
- Stroke: 10mm
- Load: 88.2N (9KGF)
- Material: aluminum alloy
- Minimum scale: 0.01mm
- Accuracy: 0.02mm
- Parallelism: 0.03mm
- Height: 40~50mm
Top Layer:
