Original 1205M-6B403 60V-72V 400A Programmable DC Motor Controller Motor Speed Controller for Curtis
Description:
1205M-6B403 is the upgraded version of 1205M-6B401 controller, providing new functions "reverse signal output / main contactor coil driver" through the 6.35 mm push-on terminal J5. For more details, please read carefully the1204M/05M/09M/21M Manual. Click for the manual https://www.noco-evco.com/curtis/manual/1204m1205m_n.pdf
1205M-6B403 can be used as replacement of other original 60V or 72V controller models for CURTIS (current rating ≤ 400A), including:
· For CURTIS 1205B-6401 / 1205M-6401 / 1205M-6B401 / 1205M-6402 / 1205M-6B402 (pump driving motor controller)
· For CURTIS 1209-6401 / 1209-6402 /1209-6403 / 1209-6404 / 1209-6405
· For CURTIS 1209B-6401 / 1209B-6402 /1209B-6403 / 1209B-6404 / 1209B-6405
· For CURTIS 1209B-6A501 / 1209B-6A502 /1209B-6A503
· For CURTIS 1209-7201 / 1209-7202
· For CURTIS 1209B-7201 / 1209B-7202 /1209B-7203 / 1209B-7204 / 1209B-7205
Notice:
· For the buyer without CONTROLLER APPLYING EXPERIENCE, please consult your cart/motor dealer and read carefully the 1204M/05M/09M/21M Manual before making the purchase. Click for the manual https://www.noco-evco.com/curtis/manual/1204m1205m_n.pdf
Specifications:
· PWM operating frequency: 15.6 kHz
· Electrical isolation to heatsink (min.): 500 VAC
· KSI input current (no contactors engaged):
· 70 mA without programmer
· 130 mA with programmer
· Logic input current: < 2 mA
· Status LED output current (max.): < 2 mA
· Operating ambient temperature range: -40°C to 50°C
· Storage ambient temperature range: -40°C to 85°C
· Package environmental rating: ISTA 2A; electronics sealed to IP54
· Regulatory compliance: EN 12895 and EN 61000
Overview:
1205M programmable series motor controllers are designed to provide smooth, silent, cost-effective control of motor speed and torque. 1205M controllers are updated versions of the popular 1205 controllers, with the added functionality of being programmable—via the original Model 1313-4331 Handheld Programmer for CURTIS or 1314 PC Programming Station. This means the controllers can be tailored to the needs of specific applications. In addition to configuration flexibility, use of the programmer offers diagnostic and test capability.
1205M controllers are the ideal solution for a variety of electric vehicle applications, including industrial trucks, personnel carriers, material handing vehicles, golf cars, etc.
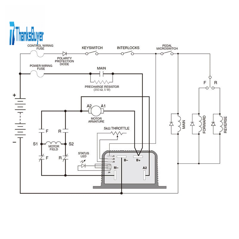
Wiring Diagram:
By default, the J5 terminal of new 1205M controllers is not activated. The controller wiring is same to the old 1204M controllers without J5 terminal.
If you want to activate the J5 terminal for using the Rev Input / Main Driver functions, please see the page 7 and 8 of 1204M / 1205M controller manual (PDF format), and send us an email for discussing the controller setting. Click for the manual https://www.noco-evco.com/product/curtis/manual/1204m1205m_n.pdf
Key Features:
· Model: 1205M-6B403
· Norminal Battery Voltage (Volts): 72V or 60V
· 1 Minute Current Rating (amps): 400
· 5 Minute Current Rating (amps): 275
· 1 Hour Current Rating (amps): 175
· Plug Braking (A2 Busbar): Yes
· Ten throttle types can be used with these controllers:
· Type 0: 2-wire potentiometer, 0–5kΩ
· Type 1: 2-wire potentiometer, 5kΩ–0
· Type 2: single-ended 0–5V input
· Type 3: 2-wire potentiometer, 4.6kΩ–0
· Type 4: 2-wire potentiometer, 5.5kΩ–0
· Type 5: 2-wire potentiometer, 1kΩ–0
· Type 6: ITS input
· Type 7: single-ended 6.3–10.6 V input
· Type 8: single-ended 6–12 V input
· Type 9: single-ended 3-wire potentiometer, 0–5kΩ
· Dimensions: 199 x 146 x 77mm/7.8 x 5.7 x 3" (LxWxH)
· Net Weight: 2.7kg/6lb
Features Include:
· High-frequency switching and ultra-low voltage drops provide high efficiency and silent operation.
· Simple mounting and wiring with push-on connectors for control signals and plated solid copper buses for power connections.
· Compatible with either a two-wire potentiometer or a voltage throttle.
· Throttle fault protection circuitry disables controller if throttle wires become open.
· High pedal disable feature prevents controller operation if key is turned on while throttle is applied.
· Plug braking diode internal to controller.
· Thermal protection and compensation circuit provides constant current limit over operating range and during under/over temperature cutback; no sudden loss of power under any thermal conditions.
· Under-voltage cutback function protects against low battery voltage, including low voltage caused by external loads.
· Easily programmable through the original Model 1313-4331 Handheld Programmer or 1314 PC Programming Station.
· Rugged anodized aluminum extruded housing meets IP65 environmental sealing standards for use in harsh environments.
Package Included:
· 1 x DC Motor Controller
Packaging Details:
· G.W.: 3kg
Note:
· Battery is not included.