Set E ADAU1643 Development Board (USB+PDM) Compatible with CT7601 USB Interface Support 192K SPDIF with USBi + ADC + PCM1798 DAC
Example Routine:
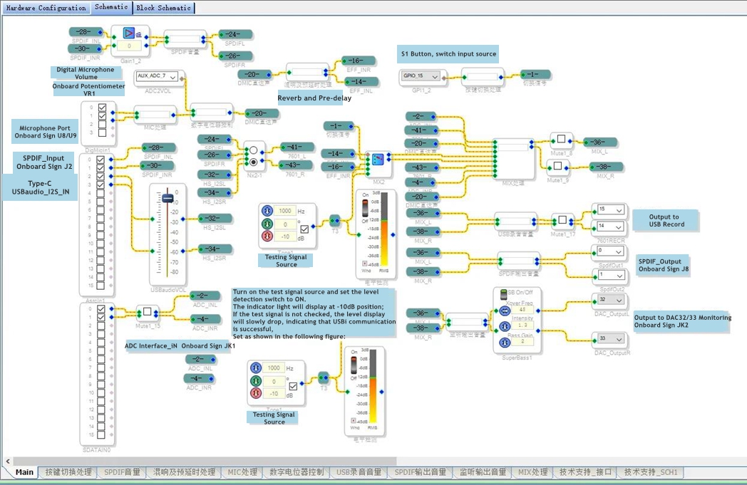
- Type-C connects to a mobile phone or computer to play USB audio, the sampling rate is supported to 32bit/192KHz, and ASIO playback and recording are supported.
- Micro USB connected to mobile phone or computer, default 48KHz sampling, support playback and recording.
- The system main clock is provided by the sam5504 module board, and the SIP3 jumper is connected to the 2/3 end.
- The PDM digital microphone shares the BCLK output of the SAM5504, which is input by the MP7 of the ADAU1463. After gain, the external digital potentiometer VR1 is used for volume control, and the gain EQ is processed as a direct sound.
- The direct sound of the microphone is distributed to: monitor/recording port/sam5504MIC input/ADAU1463 reverb input.
- SAM5504 will do reverberation after inputting the direct sound. The EFFOUT terminal outputs the reverberation effect to the ADAU1463_SDATA_IN2 terminal, and the MUSIC terminal outputs USBaudio to the SDATA_IO3 terminal.
- The ADC/DAC module IIS clock is in master mode and is provided by ADAU1463.
- SAM5504 outputs music signals, reverberation effects, and microphone signal input. The ports connected to ADAU1463 are all set to slave mode, and the clock is provided by SAM5504.
- The global sampling rate of SAM5504 is 48KHz/main mode, including the recording signal provided to him by ADAU1463.
- The sampling rate of ADAU1463 and CT7601 playback and recording interface is changed, which varies with the system setting or the sampling rate of the music itself, 44.1-192k/16bit-32bit. CT7601 is the master mode.

ADAU1463/67 Description:
Compliant with automotive application requirements:
- A fully programmable DSP, suitable for enhanced sound processing.
- Equipped with specialized graphics programming tool (for SigmaStudio), suitable for developing custom signal streams.
- Up to 294.912MHz, 32-bit Sigma DSP core, voltage of 1.2V.
- Up to 24 thousand words of program memory.
- Up to 80 thousand words of parameter/data RAM.
- Up to 6144 SIMD instructions per sample at 48 kHz.
- Up to 1600ms digital audio delay at 48kHz.
Audio I/O and Routing:
- 4 serial input ports, 4 serial output ports, and an additional 8 serial ports that can be freely defined for input and output.
- 48 channels, 32-bit digital I/O, with a sampling rate of up to 192 kHz.
- Flexible configuration for TDM, I2S, left and right aligned formats, and PCM.
- 8 stereo ASRC, with a ratio between 1:8 and 7.75:1, and a dynamic range of 139dB.
- 192 kHz stereo S/PDIF input and output (ADAU1452 only supports up to 96K).
- 4 PDM microphone input channels.
- Multi channel, byte addressed TDM serial port.
- A clock oscillator used to generate a master clock from a crystal.
- Integer PLL and flexible clock generator.
- Integrated bare chip temperature sensor.
- I2C and SPI control interfaces (including master-slave).
Independent Operation:
- Self booting from serial EEPROM.
- 8-channel, 10 bit SAR assisted control ADC.
- 26 multi-purpose pins for digital control and output.
- An on-chip voltage regulator used to generate 1.2V voltage from a 3.3V power supply.
- 88 pin 12mm x 12mm LFCSP package with 5.3mm bare solder pads.
- Temperature range: -40°C to +105°C.
CT7601 USB Interface Description:
Main Features:
- 2 playback ports and 1 recording port
- Play 0: 8-channel I2S, 6-channel DSD, 2-channel SPDIF
- Play 1: 2-channel I2S, 2-channel DSD, 2-channel SPDIF
- Records: 8-channel I2S, 6-channel DSD, 2-channel SPDIF
- The clock system is independent
- The recording port supports standard/left alignment and master/slave mode
- PCM supports up to 768K/32 bits via USB, I2S, and SPDIF ports
- DSD (PDM) supports 1x/2x/4x/8x bandwidth through the DSD (PDM) port
- DSD (local) supports 1x/2x/4x/8x bandwidth via USB, I2S, DSD (PDM), SPDIF port
- DoP supports 1x/2x/4x bandwidth through USB, I2S, and SPDIF ports
- Up to 16 GPIOs can be configured as inputs or outputs
- Master slave I2C interface
- Interrupt function
- PWM-LED
- Automatic format detection
- Automatically detect PCM/DoP format
- Automatically detect I2S/DSD interfaces
- 8051 embedded controller
- UART interface
- Volume control and fade in/out function
- Play basic automatic decompression function
SAM5504 Module Function (with matching simulator):
- Professional effect algorithm, the originator of musical instrument effect, EQ / Reverb / Echo / Pitch shift / Electric sound / Guitar piano effect / support USB audio, echo cancellation AEC, noise reduction, feedback suppressor, etc.

Set A:
Set B:
Set C:
Set D:
Package Included:
- 1 x ADAU1463 Development Board
- 1 x USBi Simulator
- 1 x ADC Board
- 1 x DAC Board